




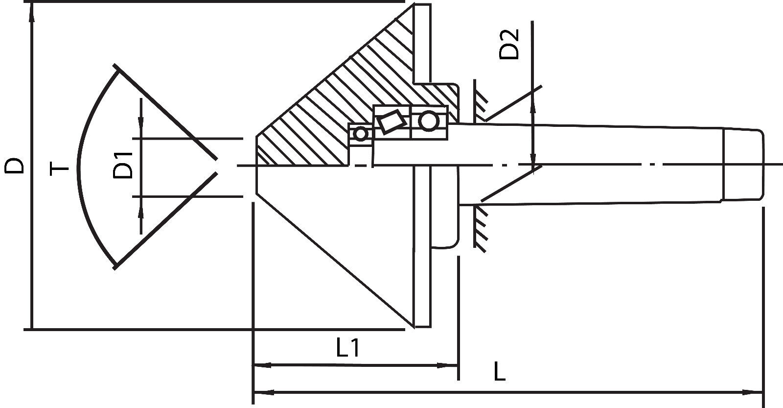
The center is made of alloy steel and is waterproof design.Concentricity tolerance is 0.005mm(2-1/2″~8″)/0.006mm(10″~12″);roundness is 8″) 0.006mm(10″~12″).The center isassembled with ball bearing and tapered roller bearing.Use kluber Grease(From Germany)
Bearing is from Japan BAND.
傘型回転センターの軸 はSCM440(JIS)を使用し、真空熱処理により焼入れし、 精密0.0005.
